在现代电子设备中,电源管理芯片是确保设备稳定运行的核心组件。MD5130作为一款高效能的电源管理芯片,被广泛应用于各种电子设备中。本文将详细介绍MD5130的技术规格和典型应用,为电子工程师和设计者提供全面的技术参考。
MD5130是一款集成了多种电源管理功能的芯片,它能够提供高效的电压转换、稳定的电流输出以及全面的保护机制。这款芯片的设计旨在满足现代电子设备对于电源管理的严格要求,包括高效率、低功耗和高可靠性。

MD5130的技术规格是评估其适用性和性能的关键因素。以下是MD5130的一些主要技术参数:
输入电压范围:MD5130能够接受较宽范围的输入电压,这使得它适用于多种电源环境。
输出电压和电流:该芯片能够提供稳定的输出电压和电流,满足不同电子组件的需求。
转换效率:MD5130以其高转换效率著称,这意味着在电源转换过程中能量损耗较低,从而提高了整体能效。
?;すδ埽喊ü鞅;?、过热?;ず投搪繁;さ?,确保在异常情况下能够保护电路不受损害。
工作温度范围:MD5130能够在较宽的温度范围内稳定工作,适应不同的环境条件。
封装类型:提供多种封装选项,以适应不同的电路板设计和空间限制。

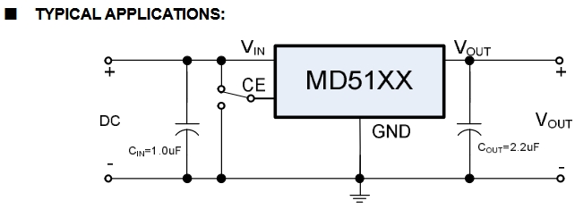
MD5130的典型应用展示了其在实际电子设备中的广泛用途:
智能手机和平板电脑:在这些设备中,MD5130用于管理电池充电和放电过程,确保电池的安全性和延长电池寿命。
笔记本电脑和台式机:MD5130可以用于电源适配器,提供稳定的电源供应并管理多个组件的电源需求。
LED照明系统:在LED照明中,MD5130用于驱动LED灯,提供稳定的电流输出,确保照明效果。
工业控制设备:在工业应用中,MD5130的高可靠性和?;すδ苁蛊涑晌缭垂芾淼睦硐胙≡瘛?br/>
汽车电子:在汽车电子系统中,MD5130用于管理车载电子设备的电源,如信息娱乐系统和导航系统。
MD5130作为一款高效能的电源管理芯片,以其出色的技术规格和广泛的应用领域,在电子行业中占据了重要地位。无论是在消费电子、工业控制还是汽车电子领域,MD5130都能提供稳定可靠的电源管理解决方案。