在现代电子设备中,电源管理芯片起着至关重要的作用,它不仅决定了设备的能效,还直接影响到设备的稳定性和可靠性。本文将深入探讨晶丰明源推出的BPA8504D芯片的参考设计,以及其在5V150mA输出条件下的性能表现。通过对该芯片的详细分析,我们将揭示其在不同应用场景中的优势和潜在改进空间。
BPA8504D是一款集成了650V高压MOSFET的PWM控制芯片,专为低待机功耗和高效率的离线式电源转换应用而设计。其主要特点包括低输出纹波、内置软启动功能、高压启动和自供电电路,以及低音频噪声。这些特性使其成为家用电器辅助电源、电机驱动辅助电源、物联网设备以及工业控制辅助电源的理想选择。

在设计5V150mA输出电源时,BPA8504D的电源规格至关重要。该芯片支持85V至264V的宽输入电压范围,能够适应全球不同地区的电网电压。其输入频率范围为47Hz至63Hz,覆盖了常见的50Hz和60Hz电网频率。在输出方面,BPA8504D能够提供稳定的5V输出电压,精度在±5%以内,最大输出电流为150mA,连续输出功率可达0.75W。
此外,该芯片的待机功耗极低,在230VAC输入条件下,包含假负载的待机功耗仅为229mW。满载效率可达50%,这一效率水平在同类产品中表现优异。在电磁兼容性方面,BPA8504D的传导EMI满足CISPR22/EN55022 Class B标准,且具有超过5dB的裕量,确保了电源在电磁环境中的良好兼容性。
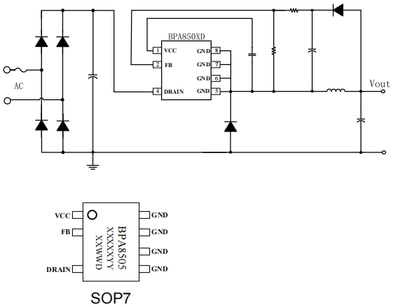
BPA8504D的参考设计采用了简洁而高效的电路架构。其电路主要包括输入滤波、整流、PWM控制、输出滤波等部分。在元件选择上,设计团队精心挑选了适合该芯片的元件,以确保电源的性能和可靠性。
例如,输入滤波部分采用了2.2uF的电解电容,虽然在某些情况下(如85VAC输入)这一容值略显不足,但通过增加电容容值可以有效改善性能。此外,电路中还使用了多个不同规格的电阻、电容和电感,这些元件的参数经过精确计算,以实现最佳的电源转换效率和稳定性。
在待机功耗测试中,BPA8504D表现出色。其待机功耗随输入电压的变化呈现出一定的规律性,在85VAC至265VAC的输入范围内,待机功耗均低于300mW,这使得该芯片在节能方面具有显著优势。在效率测试中,BPA8504D在不同输入电压和负载条件下的效率表现稳定,满载效率可达50%,这一效率水平在同类产品中处于中上水平。

输出电压调整率是衡量电源稳定性的重要指标。BPA8504D在不同负载条件下的输出电压调整率表现良好。在25%至100%的负载范围内,输出电压的最大调整率仅为6.53%,这表明该芯片能够在较宽的负载范围内保持稳定的输出电压。
输出电压纹波是衡量电源质量的另一个重要指标。BPA8504D在不同输入电压和负载条件下的输出电压纹波表现优异。在无负载条件下,纹波电压峰值仅为29.4mV至59mV;而在满载条件下,纹波电压峰值也仅为482mV至71.4mV。这一低纹波特性使得该芯片在对电源质量要求较高的应用中具有明显优势。
动态负载响应能力是电源适应负载快速变化的关键特性。BPA8504D在50%至100%负载变化和10%至90%负载变化条件下的动态负载响应表现良好。其输出电压的峰值变化范围在174mV至344mV之间,这表明该芯片能够快速响应负载变化,保持输出电压的稳定。
BPA8504D具备完善的?;すδ埽ü乇;ぃ∣LP)、短路?;ず凸缺;さ?。在短路?;げ馐灾?,该芯片能够在短时间内检测到短路情况,并迅速进入?;ぷ刺?,避免了因短路而引起的损坏。此外,其过热保护功能能够在芯片温度过高时自动降低输出功率或关闭输出,确保电源的安全运行。
尽管BPA8504D在性能方面表现出色,但在某些特定条件下仍存在改进空间。例如,在85VAC输入时,由于输入滤波高压电解电容容值较小,电源无法满载启机。针对这一问题,建议将输入滤波电容的容值增加到3.3uF至4.7uF,这样不仅可以解决满载启机问题,还能进一步降低输出纹波。
此外,BPA8504D的软启动功能在降低MOSFET电流应力方面发挥了重要作用。然而,进一步优化软启动过程,如调整起始限流值和软启动时间,可能会进一步提升电源的可靠性和稳定性。
BPA8504D是一款高性能、低待机功耗的电源管理芯片,其参考设计在5V150mA输出条件下表现出了优异的性能。从低待机功耗到高效率,从稳定的输出电压调整率到低输出电压纹波,BPA8504D在多个方面都展现了其作为一款优秀电源管理芯片的潜力。通过对该芯片的深入分析和性能测试,我们不仅看到了其在现有设计中的优势,还发现了潜在的改进方向。随着技术的不断进步和市场需求的日益增长,BPA8504D及其后续产品有望在电源管理领域发挥更大的作用,为各种电子设备提供更加高效、可靠的电源解决方案。