在当今电子设备飞速发展的时代,电源适配器作为各类设备的能量供应核心,其性能与效率的重要性日益凸显。随着氮化镓(GaN)技术的不断成熟与应用,电源适配器的设计迎来了新的突破。本文将深入探讨基于氮化镓技术的 CoreGaN-330W PFC+LLC 笔电适配器的设计理念、技术特点以及其在实际应用中的卓越表现,揭示氮化镓技术如何为电源设计带来革新。
氮化镓作为一种宽禁带半导体材料,具有诸多传统硅基半导体无法比拟的优势。其高电子饱和速度、高电子迁移率以及高热导率等特点,使得基于氮化镓的电子器件能够在更高的电压、频率和温度下稳定工作,从而显著提升电源转换效率、减小电源体积并降低能耗。在电源适配器领域,氮化镓技术的应用为实现高功率密度、高效率以及高性能的电源解决方案提供了可能。

(一)设计目标与应用场景
CoreGaN-330W PFC+LLC 笔电适配器旨在为高性能笔记本电脑提供稳定、高效的电源支持。其设计目标是实现高功率输出(330W)、高效率(最高可达 95.70%)以及优异的电源质量,同时满足全电压输入(90V-264V AC)的要求,以适应不同地区的电网环境。此外,该适配器还注重小型化设计,其外壳尺寸仅为 163.2mm×77.2mm×30.5mm,在保证性能的同时,便于携带。
(二)拓扑结构选择
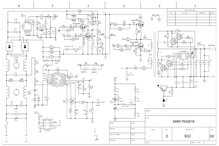
为了实现上述设计目标,该适配器采用了 PFC(功率因数校正)+LLC(谐振变换器)的拓扑结构。PFC 电路能够有效校正输入电流的波形,提高电源的功率因数,减少谐波污染,使电源在宽电压输入范围内保持较高的效率和稳定的输出。LLC 谐振变换器则以其高效率、高功率密度和良好的负载适应性而被广泛应用于高性能电源设计中。通过合理设计 LLC 谐振腔参数,可以在高频工作状态下实现软开关,进一步降低开关损耗,提升电源效率。
(一)氮化镓器件应用
适配器的核心部件选用了氮化镓 CE65H110DNDI 型号的功率器件。该器件具备 650V 的耐压能力和 110mΩ 的导通电阻,能够在高频开关条件下保持较低的导通损耗和开关损耗。与传统硅基 MOSFET 相比,氮化镓器件的高频特性使其在 LLC 谐振变换器中能够实现更高的工作频率,从而减小了变压器、电感等磁性元件的体积和重量,提高了电源的整体功率密度。同时,氮化镓器件的高热导率有助于在高功率输出时保持稳定的温度性能,延长器件寿命。
(二)电路设计优化
在 PFC 电路部分,采用了先进的控制算法,结合高性能的驱动电路,确保了在全电压输入范围内功率因数能够稳定维持在较高水平。通过精确的电感量设计和优化的电容选型,实现了对输入电流的有效整形,降低了总谐波失真(THD)。在 LLC 谐振变换器中,对谐振腔的参数进行了精细调整,包括谐振电感、谐振电容以及变压器的匝比等,以实现最佳的谐振频率和软开关效果。此外,还设计了完善的保护电路,如输出过压保护、过流保护、输入欠压?;ひ约岸搪繁;さ?,确保了电源在各种异常工作条件下能够安全、可靠地运行。
(三)PCB 布局与散热设计
合理的 PCB 布局对于电源性能的发挥至关重要。在 CoreGaN-330W 适配器的 PCB 设计中,充分考虑了高频信号的完整性、电源回路的低阻抗以及电磁兼容性(EMC)。关键的功率器件和高频元件被合理地放置在 PCB 上,以减少寄生参数的影响,降低电磁干扰。同时,通过优化走线宽度和长度,确保了电源回路的低阻抗,提高了电源的动态响应能力。在散热设计方面,采用了高效的散热片和导热硅胶片,结合合理的气流通道设计,确保了在高功率输出时关键器件能够保持在适宜的工作温度范围内,从而保证了电源的长期稳定运行。

(一)效率测试
通过对 CoreGaN-330W 适配器在不同输入电压和负载条件下的效率测试,结果显示其平均效率可达 94.75%,最高效率达到 95.70%。这一效率水平远高于传统的硅基电源适配器,显著降低了能量损耗,提高了能源利用效率。在满载工作状态下,即使在最低输入电压(90V AC)和最高输入电压(264V AC)条件下,效率依然能够保持在较高水平,这得益于氮化镓器件的高频特性以及优化的电路设计,使得电源在宽电压输入范围内均能高效工作。
(二)电源质量测试
在电源质量方面,适配器的输出电压纹波和噪声测试结果表明,在不同输入电压和负载条件下,输出纹波电压均能控制在较低水平,最大纹波电压仅为 72.8mV(@264V AC 输入),远低于行业标准要求。这表明适配器能够为笔记本电脑等电子设备提供稳定、纯净的电源,减少电源噪声对设备性能的影响。此外,适配器的动态负载测试结果显示其能够快速响应负载变化,输出电压的过冲和欠冲幅度较小,恢复时间短,进一步证明了其良好的动态性能和稳定性。
(三)?;すδ懿馐?br/>
在各项?;すδ懿馐灾?,适配器均表现出色。输出过压保护、过流保护、输入欠压?;ひ约岸搪繁;さ裙δ芫茉谏瓒ǖ你兄捣段谧既反シ?,及时切断电源输出,?;ち烁涸厣璞负偷缭醋陨砻馐芩鸹?。这些完善的?;すδ芪没峁┝丝煽康陌踩U希銮苛耸逝淦髟谑导视τ弥械目煽啃院臀榷ㄐ?。
(四)EMI 测试与温度测试
电磁兼容性(EMI)测试结果显示,适配器的电磁干扰水平符合相关标准要求,这得益于合理的 PCB 布局设计和有效的电磁屏蔽措施。在温度测试方面,通过对关键器件和外壳温度的实时监测,在高功率输出和长时间工作条件下,各关键器件的温度均能保持在安全范围内,外壳温度也未出现过热现象,这表明适配器的散热设计达到了预期效果,能够在实际使用环境中稳定运行。

CoreGaN-330W PFC+LLC 笔电适配器凭借其创新的氮化镓技术应用、优化的电路设计以及精心的散热和 PCB 布局,成功实现了高功率输出、高效率、高电源质量以及小型化的目标。其在性能测试中的卓越表现充分证明了氮化镓技术在电源适配器领域的巨大潜力和优势。随着氮化镓技术的不断发展和成本的逐步降低,预计未来将有更多的电源产品采用氮化镓器件,推动电源行业向更高效率、更高功率密度和更优性能的方向发展。
在未来的电源设计中,我们可以进一步探索氮化镓技术与其他新兴技术的融合,如人工智能控制算法、新型磁性材料等,以实现更加智能化、高效化的电源解决方案。同时,随着全球对节能减排的重视,氮化镓技术在电源领域的应用也将为实现绿色能源目标做出重要贡献,为我们的生活和工作提供更加环保、高效的能源支持。