PL3383T作为一款高性能的AC/DC非隔离降压型恒压输出芯片,凭借其卓越的性能和广泛的应用场景,正逐渐成为众多电源设计工程师的首选。本文将深入探讨PL3383T芯片的技术规格、特点、输出电路图以及应用说明,帮助读者全面了解这款芯片的性能与优势。
PL3383T是一款专为90Vac~265Vac全电压输入设计的非隔离电源芯片。它内部集成了高压功率开关,采用专利的电压电流控制技术,能够实现精确的电压和电流调节。这种设计极大地简化了电源电路的设计复杂性,降低了成本,同时提高了系统的可靠性和稳定性。PL3383T芯片的复合模式应用使其能够在不同负载条件下自动切换工作模式,以实现低静态功耗、低音频噪音和高效率。在轻载时,芯片工作在PFM(脉冲频率调制)模式,随着负载增加,逐渐进入PWM(脉冲宽度调制)模式,确保系统在低功耗待机和高效率工作之间达到最佳平衡。

PL3383T的标准输出电压为12V,能够提供最大300mA的负载电流。这一输出能力使其非常适合为主控芯片供电电源、小家电辅助电源、智能家居设备以及其他各类电源应用提供稳定的电源支持。
PL3383T采用复合模式控制技术。在轻载条件下,芯片工作在PFM模式,通过降低开关频率来减少开关损耗,从而实现低静态功耗。当负载增加时,芯片会逐渐切换到PWM模式,以提高工作效率。这种模式切换机制不仅优化了芯片在不同负载条件下的性能,还确保了电源系统的稳定性和可靠性。
PL3383T内置了多种?;すδ?,包括VCC欠压保护、VCC过压?;?、逐周期峰值电流检测、输出开路?;?、输出短路?;ず凸卤;さ取U庑┍;すδ芪缭聪低程峁┝巳轿坏谋;?,确保在各种异常情况下芯片和负载设备的安全。
PL3383T采用SOP8封装,这种封装形式具有体积小、散热性能好、易于安装等特点,非常适合应用于紧凑型电源设计中。

PL3383T内部集成了高压功率管、高压启动电路以及多种保护功能电路。这种高集成度设计不仅减少了外部元件的数量,降低了电路的复杂性和成本,还提高了系统的可靠性和稳定性。
PL3383T的输出电压精度为±5%,能够为负载设备提供稳定可靠的电源。这一特性使其在对电源精度要求较高的应用中表现出色。
芯片内置抖频技术,能够有效减小电磁干扰(EMI),降低电源系统对周边设备的电磁干扰,同时也有助于电源系统通过电磁兼容性测试。
PL3383T采用自适应控制技术,能够在不同负载条件下自动优化开关频率和占空比,从而提高电源系统的效率。特别是在轻载条件下,芯片的低静态功耗特性能够显著降低系统的待机功耗。
PL3383T具备VCC欠压/过压?;?、逐周期电流限制、输出开路?;?、输出短路?;ず凸卤;さ榷嘀直;すδ?。这些保护功能为电源系统提供了全方位的?;?,确保在各种异常情况下芯片和负载设备的安全。
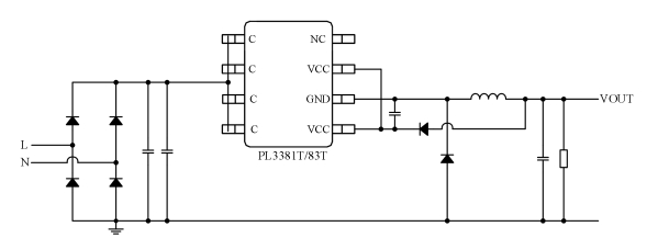
PL3383T的输出电路设计简洁高效,其典型应用电路如下图所示:

在该电路中,电感L1和续流二极管D1是关键的外围元件。电感L1的选择需要根据输入电压范围、输出电流和工作频率等参数进行计算。续流二极管D1应选择低导通压降的快速恢复二极管,以提高电源系统的效率。此外,为了防止空载或轻载时输出电压不稳定,电路中还设计了假负载电阻R1,提供一定的负载效果,确保输出电压的稳定性。
系统上电后,母线电压从PL3383T的C端对VCC充电。当VCC电压达到开启阈值时,芯片内部电路开始工作。在系统稳定工作后,输出电压将为VCC供电。PL3383T的待机电流很低,结合其复合模式控制技术,能够显著提高系统的效率,尤其是在轻载条件下。
电感L1的选择对于电源系统的性能至关重要。在降压型拓扑电路中,电感值的选择通常在最恶劣条件下进行计算,即使用最高输入电压值,在最大负载条件下,电路工作在CCM(连续导通模式)并且达到最高工作频率。推荐的电感电流纹波系数r值不小于0.25。根据电感公式,可以计算出电感值L:

其中,ΔIL=IL×r,IL为最大负载电流,FSW为开关频率。在最大负载条件下,芯片工作在CCM模式,峰值电流公式为:
PL3383T电路的续流二极管应选择低导通压降的快速恢复二极管。这种二极管能够有效降低导通损耗,提高电源系统的效率。同时,需要注意二极管的反向击穿电压应不小于输入电容的耐压值,以确保系统的安全性。
为了防止空载或轻载时输出电压不稳定,电路中需要设计假负载电阻。假负载电阻的选择需要在保证输出电压稳定和系统静态功耗之间找到平衡。合适的假负载电阻能够提供一定的负载效果,确保输出电压的稳定性,同时不会造成系统静态功耗过大。
PL3383T内置了多种?;すδ?,包括逐周期限流保护、VCC过压/欠压保护、输出开/短路?;ず凸卤;さ?。这些?;すδ苣芄挥行П;ば酒透涸厣璞冈诟髦忠斐G榭鱿旅馐芩鸹?。例如,逐周期限流保护能够防止输出电流过大导致的芯片损坏;VCC过压/欠压?;つ芄蝗繁P酒诘缭吹缪挂斐J蓖V构ぷ鳎;ば酒透涸厣璞傅陌踩?;过温?;つ芄辉谛酒露裙呤弊远乇招酒?,防止因过热导致的损坏。

PL3383T凭借其高性能、高集成度和多种?;すδ?,广泛应用于以下领域:
PL3383T能够为主控芯片提供稳定可靠的12V电源,满足主控芯片对电源精度和稳定性的要求。其低静态功耗和高效率特性能够显著降低系统的待机功耗,提高系统的整体性能。
在小家电设备中,PL3383T能够为辅助电路提供稳定的电源支持。其内置的多种?;すδ苣芄蝗繁5缭聪低吃诟髦忠斐G榭鱿掳踩煽康毓ぷ鳎映ど璞傅氖褂檬倜?。
智能家居设备通常需要稳定的电源支持,以确保设备的正常运行和通信功能。PL3383T的高精度输出和多种?;すδ苁蛊涑晌悄芗揖由璞傅缭吹睦硐胙≡?。
PL3383T还适用于其他需要12V电源的应用场景,如小型电子设备、便携式设备等。其紧凑的封装形式和高集成度设计使其能够轻松集成到各种设备中,为设备提供可靠的电源支持。
PL3383T是一款高性能的AC/DC非隔离降压型恒压输出芯片,凭借其高集成度、高精度输出、低EMI设计、高效率以及多种?;すδ?,广泛应用于主控芯片供电电源、小家电辅助电源、智能家居设备等领域。通过合理选择电感、续流二极管和假负载电阻,并充分利用其内置的?;すδ?,PL3383T能够为电源系统提供稳定可靠的电源支持,满足不同应用场景的需求。