在嵌入式系统开发中,STM32系列单片机因其高性能和丰富的外设功能而广受欢迎。然而,由于供应链的波动和市场需求的变化,寻找合适的替代型号变得尤为重要。本文将介绍一些国产兼容STM32F103C8Tx的单片机型号,并提供详细的替代方案。
根据最新的市场信息,以下型号是与STM32F103C8Tx兼容的国产单片机型号:
| Flash Size | Package | Part# | Compatible ST Model |
|---|---|---|---|
| 64KB | LQFP48 | FT32F113C8AT7 | STM32F103C8Tx |
| 64KB | LQFP48 | FT32F103C8AT7 | STM32F103C8Tx |
| 128KB | LQFP48 | FT32F113C8AT7 | STM32F103C8Tx |
| 128KB | LQFP48 | FT32F103C8AT7 | STM32F103C8Tx |
这些型号在功能和引脚上与STM32F103C8Tx高度兼容,适用于需要替代方案的项目。
Flash Size: 64KB,适合中等复杂度的应用。
Package: LQFP48,48引脚封装,适合空间有限的PCB设计。
Performance: 基于ARM Cortex-M3内核,最高工作频率可达72MHz。
I/O Ports: 提供丰富的I/O端口,支持多种外设连接。
Low Power Consumption: 支持低功耗模式,适合电池供电设备。
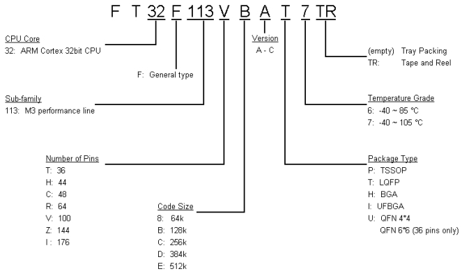
FT32F113C8AT7是一款64K闪存的单片机,采用LQFP48封装。它与STM32F103C8Tx在功能和性能上完全兼容,适用于大多数需要64K闪存的应用场景。

Flash Size: 64KB,适合一般复杂度的应用。
Package: LQFP48,48引脚封装,适合空间有限的PCB设计。
Performance: 与C8AT7相同,提供高性能处理能力。
I/O Ports: 更多的I/O端口,适合需要较多外设的应用。
Low Power Consumption: 同样支持低功耗模式。
FT32F103C8AT7与STM32F103R8Tx相似,提供64K的闪存和更多的I/O引脚。它适用于需要更多外设连接的应用。

Flash Size: 128KB,适合复杂度较高的应用。
Package: LQFP48,提供与R8AT7相同的封装选项。
Performance: 基于ARM Cortex-M3内核,最高工作频率可达72MHz。
I/O Ports: 提供丰富的I/O端口,支持多种外设连接。
Low Power Consumption: 支持低功耗模式,适合电池供电设备。
Additional Features: 可能包括更多的定时器和通信接口。
FT32F103C8AT7提供128K的闪存,适合需要较大存储空间的应用。它与STM32F103RBTx兼容,能够替代大多数高性能应用。

Flash Size: 128KB,适合需要存储大量数据的应用。
Package: LQFP48,48引脚封装,适合空间有限的PCB设计。
Performance: 基于ARM Cortex-M3内核,最高工作频率可达72MHz。
I/O Ports: 提供丰富的I/O端口,支持多种外设连接。
Low Power Consumption: 支持低功耗模式,适合电池供电设备。
Additional Features: 可能包括更多的定时器和通信接口,适合复杂的控制系统。
FT32F113C8AT7是一款128K闪存的单片机,采用LQFP48封装。它与STM32F103V8Tx兼容,适用于需要更大存储空间和更多外设连接的应用。这些特点使得这些国产兼容型号不仅能够替代STM32F103C8Tx,还能在某些方面提供额外的功能或改进。选择合适的型号可以确保应用的性能和功能需求得到满足。

在选择替代方案时,开发者需要考虑以下几个因素:
Flash Size: 确保选择的型号提供足够的存储空间。
Package Type: 根据实际的PCB设计和空间限制选择合适的封装类型。
Performance: 确认替代型号的性能是否满足应用需求。
Availability: 考虑供应链的稳定性,选择容易获取的型号。
通过仔细比较这些因素,开发者可以选择最适合其项目需求的国产兼容型号。
国产兼容STM32F103C8Tx的单片机型号为嵌入式系统开发提供了灵活的替代方案。通过选择合适的型号,开发者可以在保持应用性能的同时,优化成本和供应链管理。希望本文提供的型号和替代方案能够帮助开发者在项目中实现无缝切换。