LP3716NCK作为芯茂微推出的一款高性能的极简化自供电原边反馈控制芯片,凭借其高度集成的设计理念、卓越的性能表现以及广泛的应用领域,成为了众多电源解决方案中的首选之一。本文将深入剖析LP3716NCK芯片的特性、管脚信息、应用信息以及其在实际应用中的优势,旨在为电子工程师和相关技术人员提供一份详尽的参考。

LP3716NCK是一款专为隔离型适配器和充电器设计的自供电原边反馈控制芯片。其外围设计极为简洁,通过固定原边峰值电流,并利用变压器的原副边匝比来设定输出恒流点,同时通过设定反馈脚(FB)上的偏置电阻来设置输出恒压点。这种设计不仅简化了系统成本,还通过取消限流电阻和辅助绕组VCC供电二极管等传统元件,实现了更高的集成度和更低的待机功耗。此外,LP3716NCK还内置了输出线缆补偿功能,能够有效调节输出线缆补偿值,从而进一步优化输出电压调整率。
该芯片集成了多种?;すδ?,包括VCC钳位/欠压保护、FB脚上电阻开路?;?、输出短路?;ぁ⑹涑龉贡;ひ约肮卤;さ?,确保了在各种复杂工作环境下的稳定性和可靠性。LP3716NCK采用SOP8L封装形式,这种封装方式不仅体积小巧,而且散热性能良好,非常适合应用于对空间要求较高的电子产品中。
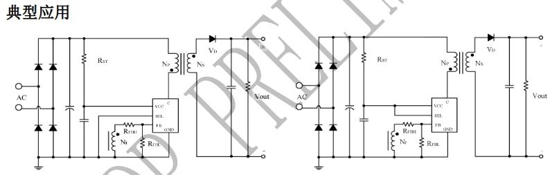
以下是LP3716NCK的典型应用电路图及说明:

AC输入:通过整流滤波后,得到直流电压VIN,为变压器原边提供输入电压。
变压器:根据原副边匝比设置输出恒流点,通过FB脚的电阻分压设置输出恒压点。
反馈脚(FB):连接电阻分压网络,用于检测输出电压并反馈给芯片,调节输出电压的稳定性。
VCC供电:通过旁路电容稳定供电,确保芯片正常工作。
SEL脚:通过连接GND或VCC选择内置峰值电流阈值,分别为620mA和760mA。
内置功率管:通过C脚连接变压器,实现功率输出。
12V1A电源适配器:适用于路由器、智能音响、摄像头等设备。
LED驱动电源:为LED灯具提供稳定的电源。
其他辅助电源:用于线性电源和RCC开关电源的升级换代。
该电路设计充分利用了LP3716NCK的自供电特性,省去了辅助绕组和VCC供电二极管,简化了电路设计并降低了成本。同时,通过内置的多种?;すδ?,如VCC钳位/欠压?;?、FB脚电阻开路保护、输出短路保护等,确保了系统的稳定运行。
LP3716NCK芯片的管脚设计简洁明了,每个管脚都有明确的功能定义,以下是其详细的管脚信息:
| 管脚号 | 管脚名称 | 描述 |
|---|---|---|
| 1 | FB | 反馈电压输入端,用于恒压输出设置 |
| 2 | GND | 芯片地,为芯片提供接地参考电位 |
| 3 | SEL | 峰值电流选择脚,通过连接不同电平来设定内置峰值电流阈值 |
| 4 | VCC | 芯片电源,需就近接旁路电容以稳定供电 |
| 5、6、7、8 | C | 内置功率三极管的集电极 |
其中,SEL管脚的功能尤为关键,它通过与GND或VCC的不同连接方式,决定了芯片的内置峰值电流阈值。当SEL接GND时,内置峰值电流阈值为620mA;而当SEL接VCC时,内置峰值电流阈值则为760mA。这种灵活的电流阈值设置方式,使得LP3716NCK能够适应不同功率需求的应用场景。
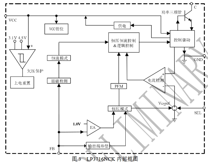
LP3716NCK芯片以其极简化的自供电原边反馈控制特性,广泛应用于多种电源领域。其典型应用图展示了该芯片在实际电路中的连接方式和主要元件配置。在应用中,LP3716NCK工作于断续模式,这种模式下,电感电流在每个开关周期内都会下降至零,从而有效避免了磁饱和现象的发生,提高了电源的稳定性和效率。
在恒流控制方面,LP3716NCK通过逐周期检测电感的峰值电流,当原边电感中的实时电流超过内部设定的最大峰值电流IPK时,功率管将立即关断。这种精确的电流控制方式,结合变压器的匝比设置,能够实现对输出电流的精准调节。输出电流的计算公式为:
其中,NP和NS分别为变压器主级和次级的匝数,Ki为变压器转换系数,通常取值在0.90到0.93之间,具体值取决于变压器的漏感大小。
在恒压控制方面,LP3716NCK通过电阻采样反激电压,并将分压后的电压与内部基准电压进行比较,形成闭环控制,从而实现对输出电压的稳定调节。轻载和满载输出电压的计算公式分别为:
其中,RFBH和RFBL分别为FB外接的上偏电阻和下偏电阻,ICOMP_LINE为满载时经过FB上偏电阻的输出线补偿电流。
LP3716NCK芯片在设计和应用中展现出诸多显著优势。首先,其极简化的外围设计大幅减少了外围元件数量,降低了系统成本和设计复杂度。其次,芯片的低待机功耗特性使其在节能方面表现出色,特别适合应用于对能效要求较高的设备中。LP3716NCK内部框架图如下所示

此外,LP3716NCK的高精度恒流控制和输出线损补偿技术,能够有效提高电源的输出精度和稳定性,确保在不同负载条件下的性能一致性。最后,芯片内置的多种?;すδ埽鏥CC钳位/欠压?;?、FB脚电阻开路?;?、输出短路?;さ?,为电源系统提供了全方位的保护,增强了产品的可靠性和安全性。
LP3716NCK作为一款高性能的极简化自供电原边反馈控制芯片,凭借其简洁的管脚设计、灵活的电流和电压控制方式以及强大的?;すδ?,在隔离型适配器、充电器、LED驱动电源等领域得到了广泛应用。它不仅满足了现代电子产品对电源管理芯片高集成度、高效率、高可靠性的要求,还通过其独特的设计和优化,为电源系统的设计和应用提供了极大的便利。