在现代电子设计领域,选择一个合适的微控制器对于整个项目的成功至关重要。FT32F103系列单片机以其高性能、多功能外设和优秀的功耗管理,成为众多应用场景中的热门选择。本文将详细解析FT32F103系列中的两个型号:FT32F103RDAT7和FT32F103VDAT7,包括它们的器件信息、结构框图、引脚定义、规格说明、存储器映射和电气特性等。
FT32F103系列基于ARM Cortex-M3内核,工作频率高达72MHz,支持1.8V至5.0V的工作电压,并能在-40至105°C的温度范围内稳定工作。该系列提供多种存储容量和外设配置,以适应不同的应用需求。

内核:32位ARM Cortex-M3,最高72MHz的工作频率。
存储:闪存高达128KB,SRAM高达20KB。
I/O:多达51个快速I/O端口。
低功耗模式:睡眠、停止、待机模式。
ADC:两个12位ADC,最多16个通道。
DMA:7通道DMA控制器。
定时器:多达7个定时器。
通信接口:两个I2C,三个USART,两个SPI,CAN接口,USB 2.0全速接口。
CRC计算单元:96位芯片唯一ID。

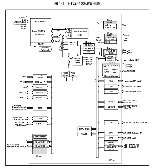
FT32F103系列的结构框图如上图所示,展示了内部主要模块及其连接方式。引脚定义详细列出了每个引脚的功能,包括电源引脚、I/O引脚、复位引脚等。
引脚定义表列出了FT32F103x8/B的引脚定义,包括引脚编号、可选的复用功能、主功能、管脚名称、默认复用功能、重定义功能、类型和I/O电平。

FT32F103x8/B 微控制器集成了高性能的 Arm? Cortex?-M3 32 位 RISC 内核,工作频率为 72 MHz,内嵌高速存储器 (高达 128 KB 的闪存和 20 KB 的 SRAM),以及大量的增强型 I/O 和连接到两条 APB总线的外设。所有器件都提供两个 12 位 ADC、三个通用 16 位定时器和一个 PWM 定时器,以及标准和先进的通信接口:多达两个 I2C、两个 SPI、 三个 USART、一个 USB 和一个 CAN。
FT32F103x8/B 微控制器工作在-40~+105 °C 的温度范围,工作电压为 1.8~5.0 V,一系列的省电模式保证低功耗应用的要求。
所有电压都以?SS为基准,除非特别说明。所有最小值和最大值将在最坏的环境温度、供电电压和时钟频率条件下得到保证。
供电方案图展示了电源引脚的连接方式,包括VDD、VSS、VDDA等,以及它们的电压范围和电流消耗。

存储器映射如图所示,详细列出了各个存储器区域的地址范围,包括Flash、SRAM、外设等。

电气特性部分详细描述了FT32F103x8/B微控制器的电气性能,包括绝对最大额定值、操作条件、通用工作条件、上电/掉电时的工作条件、嵌入的复位和电源控制模块特性等。
表4-1列出了电压特性,表4-2列出了电流特性,表4-3列出了温度特性。这些数据对于确保器件在安全范围内工作至关重要。

FT32F103RDAT7和FT32F103VDAT7型号的主要区别在于封装类型和可用的外设数量。两者都具备384KB的Flash存储和64KB的RAM,但在外设配置上有所不同。它们的核心性能和功能是相似的,这使得它们能够适用于多种不同的应用场景。以下是这两个型号详细特点及应用~
封装:LQFP64
定时器:16位定时器8个
12位ADC:16通道
DAC:12位2通道
通信接口:USB 2.0,CAN,5个USART,3个SPI
工业自动化:由于其丰富的定时器和通信接口,FT32F103RDAT7非常适合用于工业自动化控制系统,如PLC(可编程逻辑控制器)和传感器数据采集系统。
消费电子:在消费电子产品中,如智能家居设备和便携式医疗设备,FT32F103RDAT7可以提供必要的处理能力和外设支持,以实现复杂的用户交互和数据处理。
汽车电子:在汽车电子领域,如车载信息娱乐系统和安全系统,FT32F103RDAT7的高性能和可靠性使其成为一个理想的选择。
封装:LQFP100
定时器:16位定时器8个
12位ADC:16通道
DAC:12位2通道
通信接口:USB 2.0,CAN,5个USART,3个SPI
高端消费电子:由于其更大的封装和更多的外设,FT32F103VDAT7更适合用于高端消费电子产品,如高级音频设备和高端家用电器,这些产品通常需要更多的外设和更复杂的用户界面。
专业医疗设备:在医疗设备领域,尤其是那些需要精确控制和多种传感器接口的设备,FT32F103VDAT7的高性能和丰富的外设使其成为一个理想的选择。
通信设备:在通信设备中,如路由器和调制解调器,FT32F103VDAT7的高速处理能力和多种通信接口使其能够处理大量的数据传输和网络协议。
FT32F103RDAT7和FT32F103VDAT7型号的FT32F103系列单片机,以其高性能、多功能外设和优秀的功耗管理,为工业自动化、消费电子、汽车电子、高端消费电子、专业医疗设备和通信设备等多种应用场景提供了强大的支持。根据具体的应用需求和设计考虑,开发者可以选择最合适的型号来实现他们的项目目标。无论是对处理能力、外设数量还是封装尺寸有特定要求的应用,FT32F103系列都能提供灵活而强大的解决方案。