在电源设计日益追求高集成度、低成本与高效率的今天,传统的反激式电源方案正面临前所未有的挑战。复杂的辅助供电绕组、繁琐的外围元件、对光耦反馈的依赖,不仅推高了BOM成本,也限制了产品的小型化与可靠性。三佛科技推出的 LP3717ASH,正是为打破这些桎梏而生的一款极具创新性的 隔离型原边反馈(PSR)控制芯片。本文将围绕其 SOP7封装、12V/1A输出能力 与 极简化自供电架构,深入剖析其设计哲学、技术优势与实际应用价值。
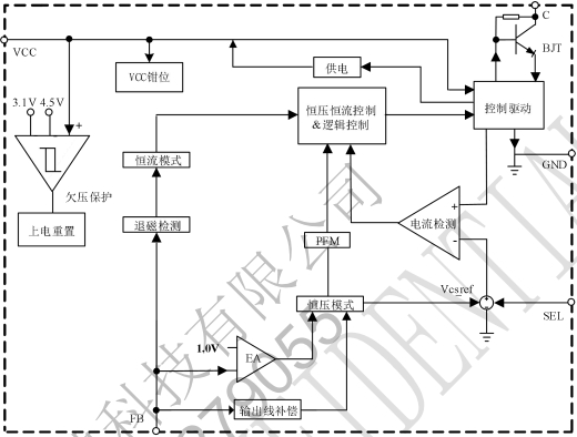
LP3717ASH并非简单的参数堆叠,而是基于对中低功率隔离电源场景的深刻理解,提出的一套 “极简、可靠、高效” 的系统级解决方案。它通过 原边反馈控制(PSR) 技术,摒弃了传统方案中光耦与TL431组成的次级反馈网络,直接通过辅助绕组采样输出电压,实现 ±5%以内的恒压精度,同时借助 内置750V BJT功率管,将开关器件与控制逻辑高度集成,显著减少外围元件数量。

更值得一提的是,LP3717ASH采用 自供电启动技术,无需外部启动电阻,也无需辅助绕组供电二极管。系统上电后,内部高压启动电路直接为VCC电容充电,待电压达到启动阈值后自动切换至内部供电模式。这一设计不仅节省了BOM成本,更解决了传统方案中启动电阻发热、辅助供电二极管反向恢复损耗等问题。
在适配器、路由器、机顶盒、小家电等应用中,12V/1A(12W) 是一个极为常见的输出功率等级。LP3717ASH正是针对这一需求进行了深度优化:

LP3717ASH采用 SOP7L封装,相比传统SOP8,去除了一个冗余引脚,进一步压缩了PCB占用面积。其引脚定义简洁明了:
| 引脚 | 名称 | 功能说明 |
|---|---|---|
| 1 | VCC | 芯片供电,建议就近接1μF旁路电容 |
| 2 | GND | 芯片地,功率地与信号地共地设计 |
| 3 | FB | 反馈输入,连接辅助绕组分压网络 |
| 4 | SEL | 峰值电流设定,悬空为780mA,外接电阻可调 |
| 5-7 | C | 内置BJT集电极,连接变压器原边 |
在PCB布局上,芯茂微官方给出了极具实战价值的建议:

LP3717ASH在“极简”外表下,隐藏着一套 完整的保护逻辑,涵盖从启动到稳定运行的全生命周期:
| ?;だ嘈?/th> | 触发条件 | 响应动作 |
|---|---|---|
| VCC欠压?;?/strong> | VCC < 3.0V | 停止开关,进入重启周期 |
| 输出短路?;?/strong> | FB < 0.5V 持续3周期 | 打嗝重启,降低平均功率 |
| 输出过压保护 | FB > 1.3V 持续3周期 | 立即重启,防止负载损坏 |
| FB电阻开路?;?/strong> | 启机6周期后FB电流 < 20μA | 判定为分压电阻脱落,重启 |
| 过温?;?/strong> | 结温 > 150℃ | 关断输出,迟滞30℃后恢复 |
这些?;すδ?无需外部干预,全部由芯片内部逻辑自动完成,极大提升了系统的鲁棒性与用户体验。

| 元件 | 推荐型号 | 说明 |
|---|---|---|
| 整流桥 | MB6S | 600V/0.5A,SOP封装 |
| 输入电容 | 10μF/400V | 电解电容,低ESR |
| 输出电容 | 1000μF/16V | 固态电容,降低纹波 |
| 续流二极管 | SB2100 | 100V/2A肖特基,低VF |
| RFBH | 100kΩ | 1%精度,决定输出电压 |
| RFBL | 10kΩ | 与RFBH分压,设定12V输出 |
LP3717ASH的价值,远不止于“省了几个元件”。它代表了一种 对中低功率隔离电源的重新思考:在性能满足的前提下,如何用更少的器件、更小的体积、更低的成本,实现更高的可靠性与能效。对于广大电源工程师而言,它不仅是“12V1A”方案的理想选择,更是一把打开“极简设计”之门的钥匙。深圳三佛科技提供技术支持,批量价格有优势~