AP8012芯朋微3.6W/6W低待机功耗离线式开关电源IC
AP8012HNEC-T1C DIP-8/AP8012HSSC-R1C SOP-7
AP8012HNEC-T1C DIP-8/AP8012HSSC-R1C SOP-7
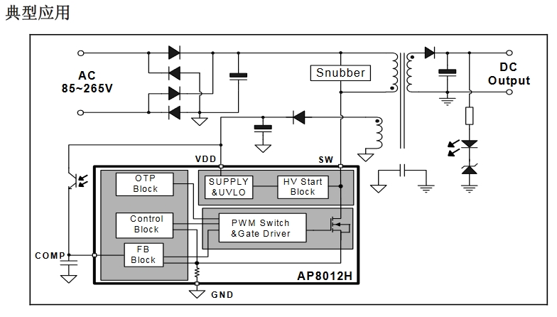
AP8012H芯片内部集成了脉宽调制控制器和功率MOSFET,适用于小功率离线式开关电源。该芯片提供了完整的智能化保护功能,包括过流保护,欠压保护,过压保护,过温?;ず腿砥舳δ?。间歇工作模式能够降低系统处于待机模式时的功耗;抖频技术有助于EMI特性。该芯片还内置高压启动??椋Vは低衬苎杆倨舳?。
内置800V高雪崩能力智能功率MOSFET
满足85~265V宽AC输入工作电压
全电压半封闭式稳态输出功率6W(DIP-8封装)
抖频技术EMI特性
间歇工作模式
软启动
内置高压启动电路
保护功能:过流保护(OCP),过温保护(OTP),VDD过压保护


电磁炉电源
小家电辅助电源