BP85221AL晶丰明源SOP7封装5V 50MA非隔离开关电源驱动芯片
5V 50MA SOP7
5V 50MA SOP7
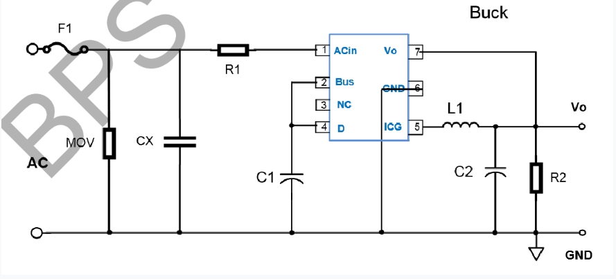
BP85221AL是一款高性能 高集成度、低待机功耗的开关电源驱动芯片,适用于全电压85~265VAC输入的 BuckBuck-Boost拓扑应用。功率电感可兼容0510色环电感或CD43贴片电感。
BP85221AL 内部集成1600V整流二极管、550V高压MOSFET、高压启动和自供电电路、电流采样电路、电压反馈电路以及续流二极管,无需外部VCC电容,减少外围器件数量,降低系统成本和体积,提高可靠性。
BP85221AL提供丰富的?;すδ?,包括输出过载/短路保护、逐周期限流、过温?;さ?,使系统更加安全可靠。BP85221AL采用ASOP-7封装
集成1600V整流二极管
兼容0510色环电感或CD43贴片电感
集成VCC电容、续流二极管和反馈二极管
集成550V高压MOSFET
集成高压启动和自供电电路
低待机功耗<100mW@230Vac
固定5V输出
优异的动态响应速度,输出电压纹波小
良好的负载调整率和线性调整率
自适应开关频率,最高75kHz
改善EMI性能的频率调制技术
?;すδ埽?br/>① 输出短路保护(SCP)
② 输出过载?;?OLP)
③ 迟滞过温?;?OTP)
