LPKSF001
12V2A, 24V 2A, DIP7
12V2A, 24V 2A, DIP7
芯茂微12V2A,24V 2A隔离电源芯片
LPKSF001 概述
LPKSF001 是一款高度集成的隔离型适配器和充电器的自供电 PSR 控制芯片,外围设计简单。
LPKSF001 通过外置电阻,可调原边峰值电流,再通过变压器原副边匝比来设置输出恒流点;通过设定 FB 上偏电阻和下偏电阻来设置输出恒压点。
为了实现系统成本的简化,LPKSF001 内置启动电路,外围不需要启动电阻;采用自供电的方式来取消辅助绕组 VCC 供电二极管。
为了实现更好的输出电压调整率,LPKSF001内置输出线缆补偿功能,可以通过设定 FB 外置上
偏电阻的值来调节输出线缆补偿值。
LPKSF001 集成了多种的保护功能,包括 VCC钳位/欠压保护,FB 脚上电阻开路?;?,输出短路?;?,输出过压?;ひ约肮卤;さ缺;すδ堋PKSF001 采用 DIP7 封装。
LPKSF001特点
集成 BJT,适用于 24W 以下隔离方案
内置启动电路,无需启动电阻
自供电技术取消辅助绕组 VCC 供电二极管
通过外置电阻,可调峰值电流
低的待机功耗
砖利的电流驱动,降低温升
输出线损补偿技术
输出短路?;すδ?/span>
输出过压?;?/span>
VCC 欠压?;すδ?/span>
FB 脚上电阻开路?;?/span>
过温保护。
LPKSF001应用
适配器、充电器
LED 驱动电源
线性电源和 RCC 开关电源升级换代
其它辅助电源。
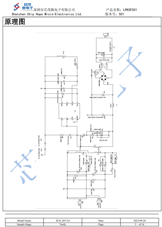
LPKSF001原理图:
