在现代电子设备中,电源适配器的性能和效率至关重要。本文将详细介绍LP8773S+LP20R100T这一12V3A适配器方案的原理图和电路板设计,以及其技术规格和应用领域。

LP8773S+LP20R100T方案是一款高性能的电源适配器解决方案,它结合了LP8773S芯片和LP20R100T电感器,能够提供高达3A的稳定电流输出。该方案以其高效率、低功耗和优越的EMI性能而受到市场的青睐。
LP8773S是一款集成了多种功能的电源管理芯片,其特点包括:
轻松满足能效六级标准。
输入电压断电保护。
专有的准谐振技术。
数字抗抖动技术实现无音频噪声操作。
数字频率监控技术。
数字抖频技术优化EMI。
待机功耗小于100mW。
多模式控制方式提升效率。
最大限制频率80KHz。
QR模式,52KHz最小频率限制。
CCM模式,自适应斜坡补偿。
内置软启动功能。
管脚浮空?;?。
内置同步斜坡补偿。
前沿消隐。
VDD欠压、过压以及钳位?;ぁ?br/>

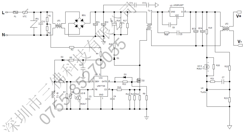
LP8773S+LP20R100T方案的原理图设计简洁而高效。核心部分包括LP8773S芯片和LP20R100T电感器,以及其他必要的外围元件。原理图设计中,特别注意以下几点:
输入滤波:确保电源适配器的输入端有足够的滤波,以减少EMI和提高电源质量。
反馈回路:通过精确的反馈回路设计,确保输出电压的稳定性和准确性。
?;さ缏罚喊ü?、欠压、过流和短路?;?,以确保电源适配器在各种异常情况下的安全运行。
电路板设计同样遵循简洁高效的原则。主要考虑因素包括:

布局:关键元件如LP8773S和LP20R100T应尽可能靠近放置,以减少PCB走线的电阻和电感。
走线:电源线和地线应尽可能宽,以减少电压降和提高电流承载能力。
散热:考虑到功率损耗,电路板设计应有足够的散热措施,如散热孔和大面积的铜箔。
LP8773S+LP20R100T方案适用于多种需要12V3A电源的场合,包括但不限于:
工业控制系统。
通信设备。
家用电器。
笔记本电脑和平板电脑的电源适配器。
LP8773S+LP20R100T方案以其卓越的性能和可靠性,为电源适配器市场提供了一个强有力的选择。通过精心设计的原理图和电路板,该方案能够满足各种高要求的应用需求,确保设备的稳定运行和长期可靠性。随着技术的不断进步,LP8773S+LP20R100T方案有望在未来的电源适配器设计中发挥更大的作用。