在现代厨房电器中,咖啡机和空气炸锅因其便捷性和高效能而受到消费者的青睐。这些设备需要稳定且高效的电源解决方案以确保最佳性能。G2363P-12和G2363M-12,作为高性能、低成本的非隔离交直流转换芯片,为这些厨房电器提供了理想的电源管理方案。
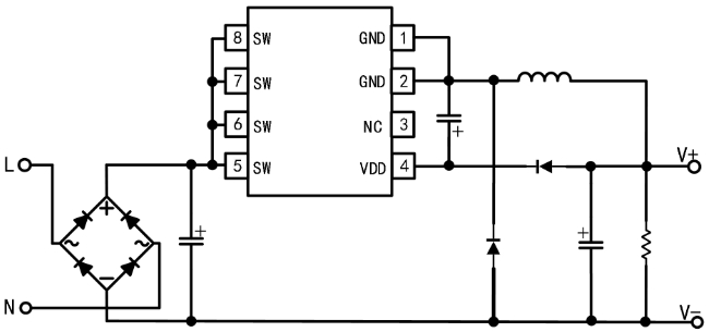
G2363X-12系列芯片由Global Semiconductor Co., LTD开发,是一款专为非隔离开关电源应用设计的高集成度、高性能、低待机功耗的开关电源芯片。该系列芯片以其优异的动态响应和内置的软启动电路,为咖啡机和空气炸锅等厨房电器提供了稳定可靠的电源。

内置高压功率管
G2363X-12系列芯片内置高压功率管,减少了外部元件的需求,简化了电路设计,同时提高了系统的可靠性。
高集成度
芯片内部集成了高压启动电路、电流采样电路和电压反馈回路,无需外部启动电阻、电流采样电阻和电压采样电阻,进一步降低了系统成本和体积。
优异的动态响应
G2363X-12系列芯片提供了优异的动态响应,能够快速适应负载变化,确??Х然涂掌ü诓煌ぷ髂J较露寄芑竦梦榷ǖ牡缭?。
内置软启动电路
内置的软启动电路可以避免电源启动时的电流冲击,?;さ缏吩?,延长设备使用寿命。
集成完善的?;すδ?br/>G2363X-12系列芯片提供了包括VDD欠压和钳位?;ぁ⑹涑龉贡;?、过流?;ぁ⒐卤;ず褪涑龆搪繁;さ仍谀诘娜姹;すδ?,确保了电源的安全性和稳定性。

对于咖啡机而言,G2363X-12系列芯片能够提供稳定的12V输出,满足咖啡机在冲泡过程中对电源的高要求。其低待机功耗特性,也使得咖啡机在非工作状态下能耗极低,符合现代节能标准。
空气炸锅在工作时需要较高的功率输出,G2363X-12系列芯片能够提供高达350mA的电流输出,满足空气炸锅的功率需求。同时,其优异的动态响应和全面?;すδ?,确保了空气炸锅在高温和高功率工作条件下的稳定性和安全性。
G2363P-12和G2363M-12作为非隔离12V电源芯片,以其高集成度、优异的动态响应和全面的?;すδ?,为咖啡机和空气炸锅等厨房电器提供了高效、稳定且安全的电源解决方案。随着厨房电器市场的不断发展,G2363X-12系列芯片有望在更多家电产品中得到广泛应用,为消费者带来更加便捷和高效的厨房体验。