首页 ? 常见问题
在快充技术迅速发展的今天,高耐压能力成为了衡量电源管理芯片性能的重要指标之一。LP8776CD作为一款隔离型多模式PWM控制器,其在快充方案中实现高耐压的能力尤为突出。本文将深入探讨LP8776CD如何通过其独特的设计和技术实现高耐压,确保快充方案的安全性和可靠性。
快充技术的发展对电源管理芯片提出了更高的要求,尤其是在耐压能力方面。LP8776CD作为一款专为65W PD应用设计的控制器,其高耐压特性使其在快充领域脱颖而出。本文将分析LP8776CD实现高耐压的关键技术和设计。

VCC耐压设计:LP8776CD的VCC耐压高达200V,这一设计显著提高了芯片在高电压输入下的稳定性和安全性。在快充方案中,高耐压的VCC设计可以有效防止因电压突波导致的芯片损坏,保障了整个系统的稳定运行。
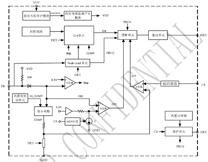
多重保护功能:LP8776CD具备多重?;すδ埽╒CC欠压?;?、VCC过压?;?、输出过载?;ぁ⑹涑龆搪繁;さ?,这些?;すδ芪吣脱股杓铺峁┝硕钔獾陌踩U稀T诳斐涔讨?,这些?;せ颇芄患笆毕煊σ斐G榭觯苊庖虻缪构叨斐傻乃鸷?。
特有的高低压输出电流补偿:LP8776CD采用特有的高低压输出电流补偿方式,使得输出过流电流(IOCP)不随输入电压变化,这一设计有助于维持在不同电压条件下的稳定输出,增强了芯片的耐压能力。
软启动功能:LP8776CD内置典型值9mS的软启动功能,通过在启动阶段逐周期增加VCS保护阈值的方式实现,有利于避免变压器的饱和和降低副边二极管的应力,从而提高耐压性能。
频率抖动技术:LP8776CD采用特有的频率抖动技术来改善EMI指标,这种技术可以在不牺牲耐压性能的前提下,优化电磁兼容性,减少因高电压引起的电磁干扰。

LP8776CD应用于65W PD电源/其它反激电源
LP8776CD通过其高VCC耐压设计、多重?;すδ堋⒏叩脱故涑龅缌鞑钩?、软启动功能以及频率抖动技术,在快充方案中实现了卓越的高耐压性能。这些特性不仅提高了快充方案的安全性和可靠性,也为设计者提供了更多的灵活性和设计空间。随着快充技术的不断进步,LP8776CD的高耐压特性将在未来的应用中发挥更大的作用。